J
A
C
K
S
O
N
(+92) 300-6402824
info@jacksonIntelligent.com.pk
Home
About Us
Introduction
Our Vision & Mission
Our Leadership
Products
VACUUM FLASK LINE
Pipe Making
Water Bulging
Spinning Neck
Head/Rim Cutting
Shaping
Bottle Neck
Bottom Expanding
Top & Bottom Edge Trimming
Cleaning
Blanking
Drawing
Cutting & Trimming Machine
Injection Molding
Silicone Accessories
Spot Welding
Bottom Welding
Inner Spraying
Mouth Welding
Quality Control
Electrolysis
Vacuum
Surface Treatment
Cap & Bottom Assembling
Packing
Kettle
Mug Cup
Manipulator
Nitrogen Generator
Flask Dividing
CUTLERY/FLATWARE LINE
Blanking
Rolling
Trimming/Cupping
Knife Edge Treatment
Hot Forming
Cleaning
Surface Treatment
Packing
Handle Welding
COOKWARE LINE
Blanking
Honeycomb
Drawing
Cutting Beading And Trimming
Brazing
Press Welding
Cleaning
Welding
Electrolysis
Surface Treatment
Assembling
GLASS LID/SIEVE LINE
Glass Lid #1 - Glass Slab Cutting
Glass Lid #2 - Glass Disc Cutting
Glass Lid #3 - Glass Edge Grinding
Glass Lid #4- Auto Hole Drilling
Glass Lid #5- Auto Cleaning Line
Glass Lid #6 - Toughening furnace
Glass Lid #7 - Cooling Line
Glass Lid #8 - Auto Riveting Line
Glass Lid #9- Steel Ring Making
Glass Lid#10 -Beading Line
Glass Lid #11 - Drawing Line
Glass Lid #12- Press Angle Line
Glass Lid #13- Auto Edge Packing
Glass Lid #14 - Polishing Line
Glass Lid #15 -Packing Conveyor
SINK/BUCKET/BARRELS LINE
LASER PIPE CUTTING EQUIPENT
PUNCH PRESS MACHINE
SDP SERIES
J SERIES
ROBOTS
Manipulator
ECR SERIES
SAR SERIES
SCH Series
SWING ARM PUNCHING MANIPULATOR
ER SERIES LIGHT ROBOTS
QR SERIES LIGHT ROBOTS
Robotic Arm
UV Printer
FLAT CIRCLE PRINTING
LASER MACHINES LINE
LASER & AUTOMATIC INTEGRATED SOLUTION PROVIDED
LASER MARKING
Videos
Blogs
Career
Contact Us
Contact Us
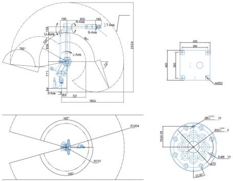
Manipulator For Polishing
Home
Manipulator For Polishing
Manipulator For Polishing
Item No:
Category:
COOKWARE LINE
Get The Latest Quote
Description
Main Technical Parameters
Manipulator For Polishing 30kg